| 電機型號 | 130ASF-M10025 | 130ASF-M13025 | 130ASF-M15025 | 130ASF-M20025 | 130ASF-M10010 | 130ASF-M15015 | 130ASF-M26025 | 130ASF-M24015 | 130ASF-M38025 | |||||||
| 額定功率(KW) | 1 | 1.3 | 1.5 | 2 | 1 | 1.5 | 2.6 | 2.4 | 3.8 | |||||||
| 額定線電壓(V) | 220 | 220 | 220 | 220 | 220 | 220 | 220 | 220 | 220 | |||||||
| 額定線電流(A) | 4 | 5 | 6 | 7.5 | 4.5 | 6 | 10 | 9.5 | 13.5 | |||||||
| 額定轉速(RPM) | 2500 | 2500 | 2500 | 2500 | 1000 | 1500 | 2500 | 1500 | 2500 | |||||||
| 額定力矩(N.M) | 4 | 5 | 6 | 7.7 | 10 | 10 | 10 | 16.5 | 17.3 | |||||||
| 峰值力矩(N.M) | 12 | 15 | 18 | 21 | 20 | 25 | 25 | 33 | 35 | |||||||
| 反電勢(V/1000r/min) | 70 | 65 | 65 | 67 | 138 | 98 | 68 | 112 | 66 | |||||||
| 力矩系數(N.M/A) | 1 | 1 | 1 | 1.03 | 2 | 1.67 | 1 | 1.73 | 1.25 | |||||||
| 轉子慣量(Kg.m2) | 0.49×10-3 | 0.51×10-3 | 0.55×10-3 | 0.67×10-3 | 0.83×10-3 | 0.83×10-3 | 0.88×10-3 | 1.21×10-3 | 1.21×10-3 | |||||||
| 繞線(線間)電阻(Ω) | 2.6 | 1.92 | 1.31 | 0.87 | 2.5 | 1.6 | 0.75 | 1.21 | 0.68 | |||||||
| 繞線(線間)電感(mh) | 6.27 | 5.15 | 3.85 | 9 | 8.4 | 4.63 | 7.78 | 16.5 | 2.15 | |||||||
| 電氣時間常數(Ms) | 2.35 | 2.89 | 3.12 | 11.6 | 3.18 | 2.99 | 10.7 | 4.68 | 1.73 | |||||||
| 重量(Kg) | 6 | 6.3 | 7.1 | 7.6 | 8.6 | 8.6 | 8.6 | 11.8 | 11.3 | |||||||
| 編碼器線數(PPR) | 2500 | |||||||||||||||
| 電機絕緣等級 | Class F | |||||||||||||||
| 防護等級 | IP 65 | |||||||||||||||
| 使用環境 | 環境溫度:-20℃~+50℃ 環境濕度:相對濕度<90%(不結霜條件) | |||||||||||||||
| 電機繞組插座 | 插座編號 | 2 | 3 | 4 | 1 | |||||||||||
| 信號引線 | U(紅) | V(黃) | W(藍) | PE(黃/綠) | ||||||||||||
| 編碼器接線 | 插座編號 | 2 | 3 | 4 | 5 | 6 | 7 | 8 | 9 | 10 | 11 | 12 | 13 | 14 | 15 | 1 |
| 信號引線 | 5V | 0V | A+ | B+ | Z+ | A- | B- | Z- | U+ | V+ | W+ | U- | V- | W- | PE | |
| 型號 | 130ASF-M10025 | 130ASF-M13025 | 130ASF-M15025 | 130ASF-M20025 | 130ASF-M10010 | 130ASF-M15025 | 130ASF-M26025 | 130ASF-M24025 | 130ASF-M38025 | |||||||
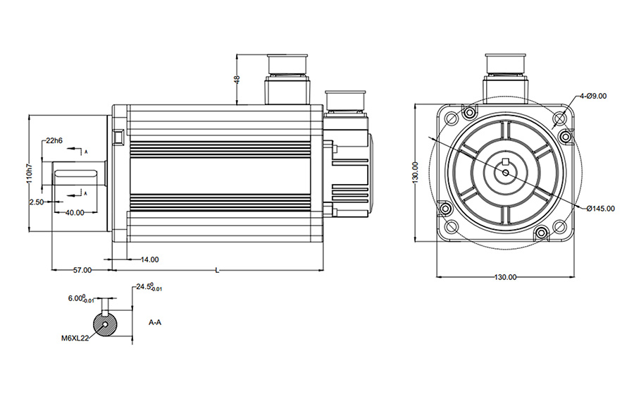
| L(mm) | 175 | 179 | 189 | 199 | 217 | 217 | 217 | 247 | 237 | |||||||
|
||||||||||||||||